濕電除塵係統異態分析以及常見的故障
所屬分類:陽極管資訊 點擊次數:7618 發布日期:2020-02-20
浙江濕電除塵器是脫硫工藝流程中重要的工業除塵設備,但運行過程中有時候也會出現一些小問題,如在離線衝洗水泵投運時,最開始的時候就地控製櫃上的運行和停止信號會同時出現,而後在幾秒之後重新恢複正常指示狀態,停止信號消失。

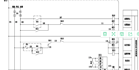
通過原理圖WWW青青草可以知道,停止信號是由接觸器KM1的常閉信號點控製的,在剛剛啟動電機時,電機的啟動由軟啟動器控製,KM1需要在軟啟動結束後得電動作,停止信號才會消失。所以這種啟停信號同時出現的狀況並不是故障,而是係統設計上的一點小瑕疵,也不會影響設備的正常使用。

之所以采用軟啟動器是因為離線衝洗水泵是一台75KW的較大電機,如果直接啟動會對脫硫段母線電壓發生較為明顯的電壓降,對其他設備的運行造成不利影響。軟啟動器是采用三相反並聯晶閘管作為調壓器,將其接入電源和電動機定子之間。這種電路如三相全控橋式整流電路。使用軟啟動器啟動電動機時,晶閘管的輸出電壓逐漸增加,電動機逐漸加速,直到晶閘管全導通,電動機工作在額定電壓的機械特性上,實現平滑啟動,降低啟動電流,避免啟動過流跳閘。待電機達到額定轉數時,啟動過程結束,軟啟動器自動用旁路接觸器取代已完成任務的晶閘管,為電動機正常運轉提供額定電壓,以降低晶閘管的熱損耗,延長軟啟動器的使用壽命,提高其工作效率,又使電網避免了諧波汙染。
針對WWW青青草日常工作中經常出現的關於濕電除塵係統的問題及解決,WWW青青草也作出一個羅列:


無錫WWW青青草設備製造有限公司是一家專業從事環保設備——濕式靜電除塵器生產廠家,已為多家大型環保企業量身定製濕電除塵設備,具有豐富的技術經驗。歡迎新老客戶來場參觀考察,24小時服務電話:13656199922
上一篇:濕電除塵器板式和管式的區別在哪裏
下一篇:濕電除塵技術的知識簡介
相關青青草APP网站污
- 陽極管的選擇對濕電除塵效果有何影響? [2024-12-19]
- 青青草视频下载陽極管在濕電除塵器的作用 [2024-12-19]
- 青青草视频下载陽極管的特點 [2024-12-19]
- 青青草视频下载陽極管除塵效率深度剖析 [2024-06-07]
- 青青草视频下载陽極管在濕電除塵內的作用 [2024-04-18]
- 濕電除塵青青草视频下载陽極管的應用 [2024-03-25]

